BASSGEGENKOPPLUNG
Ohne das Prinzip der Gegenkopplung wäre die heutige
Elektronik nicht denkbar. Auch bei Lautsprechern hat dieses Prinzip
wegen der unumstrittenen Vorteile Einzug gehalten. Leider sind solche
Lautsprecher aufgrund des mechanischen und elektrischen Mehraufwandes
noch sehr teuer. Aber es geht auch anders
Mit Lötkolben und Skalpell
Hier wird ein gegengekoppelter Basslautsprecher beschrieben, der einen Vergleich mit Industrieprodukten nicht scheuen
braucht. Dieser Basslautsprecher kann als Subwoofer oder als Bass-Chassis in einer 3- oder 4-Weg-Box eingesetzt werden.
Seit Thiele und Small ihre Lautsprecher-Theorie veröffentlichten, gelten Lautsprecher - Systeme nicht mehr als unbekannte
Wesen. Boxen seriöser Hersteller werden nicht mehr nach der Methode ,,Versuch und Irrtum" entwickelt, sondern berechnet
und dann gehörmässig abgestimmt. Geschlossene Boxen besitzen nach R. Small eine Übertragungsfunktion wie ein Filter 2. Ordnung.
Bassreflex- und Transmissionline - Lautsprecher entsprechen Filtern 4.-6. Ordnung. Aufgrund dieses prinzipiellen
Unterschieds wurde hier als Ausgangsbasis für eine Lautsprecher-Regelung ein Lautsprecher im geschlossenen Gehäuse
gewählt. Ein Filter wird durch die Güte Q und die Resonanzfrequenz f bestimmt. Gleiches gilt auch für ein Lautsprechersystem,
hier heißen die Größen Qtc (t für total, c für closed box) und fc. An ein ideales, universelles Basslautsprecher-
System werden folgende Forderungen gestellt:
Qtc � 0,5 - 0,7 I Fc < 30 Hz I Gehäusevolumen < 100 L I obere Grenzfrequenz > 300 Hz I Klirrfaktor < 1%
Ein passiver Lautsprecher ist nicht in der Lage, alle Forderungen zu erfüllen. Besonders bei Qtc und fc werden
Kompromisse eingegangen. Aktive Lautsprecher -Systeme bieten schon mehr Möglichkeiten, dem Ideal näher zukommen.
,,Feedforward -Module" und Frequenzgangentzerrung wie beim
,,Presto Subwoofer" sind erste Versuche dafür.
In der Elektrotechnik fällt dieses Schaltprinzip unter den Begriff ,,Steuerung". Grundsätzlich besser sind geregelte Systeme, die
aber leider nur zu häufig zu Schwingungen neigen. An einem konkreten Beispiel beschreibt dieser Artikel die Schwierigkeiten
und natürlich die Lösungen einer Lautsprecher-Gegenkopplung und vergleicht zum Schluss das ungeregelte
mit dem geregelten Lautsprecher -System.
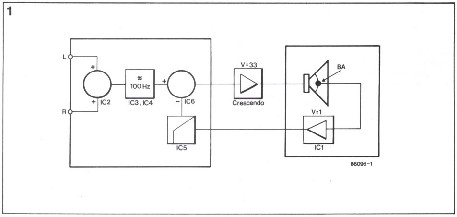
Blockschaltbild

Bild 1. Blockschaltbild der Bassregelung mit modifiziertem Chassis.
Eine solche Regelung erreichen wir durch die Gegenkopplung eines vom Schalldruck abhängigen Signals auf den Eingang der Schaltung.
Hier wird das Gegenkopplungssignal mit dem Eingangssignal verglichen, und bei Abweichungen wird der Lautsprecher entsprechend nachgeregelt.
Zur Gewinnung des Gegenkopplungssignals verwenden wir einen massearmen Beschleunigungsaufnehmer, der an der Lautsprechermembran befestigt wird.
Er erzeugt eine Spannung, die proportional zur Membranbeschleunigung und damit zum Schalldruck ist. Dieses Signal wird über einen Regelverstärker
auf den Eingang zurückgekoppelt. Damit erhalten wir das Blockschaltbild in Bild 1.
Der erste Block entspricht der Schaltung in Bild 3 und wird noch ausführlicher erklärt. Es folgt ein Endverstärker, der nur die Bedingung von U1/Ue
= V = 33 erfüllen muss.
Eine höhere Verstärkung vergrößert auch die Schwingungsneigung. Eine Verkleinerung stellt aber wieder die richtigen Verhältnisse her.
Die Leistung des Mini-Crescendos stellt wohl die untere Grenze dar, nach oben wird die Leistung nur durch die maximale Lautsprecher-Leistung begrenzt.
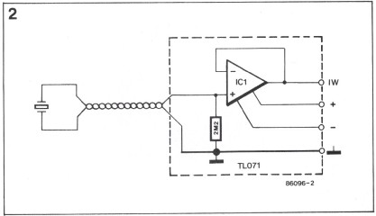
Der Lautsprecher (LS), der Beschleunigungsaufnehmer (BA) und der Impedanzwandler (IW) befinden sich im Boxengehäuse. Auf die Auswahl des
Lautsprechers und Beschleunigungsaufnehmers und auf die notwendigen mechanischen Modifikationen wird in einem gesonderten Abschnitt eingegangen.

Schaltung
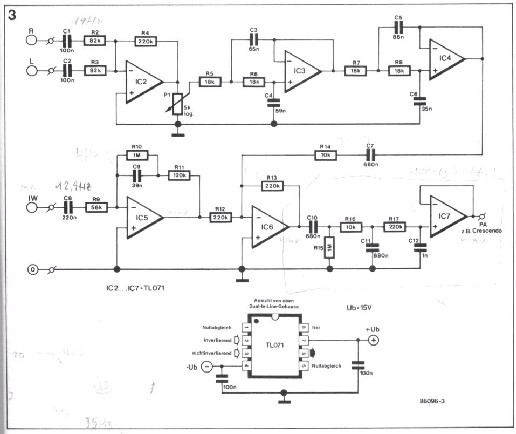
Zum Experimentieren bauen Sie am besten die Schaltung nach Bild 3 auf. IC2 ist ein einfacher Eingangsaddierer, der aus dem rechten und linken Kanal ein
Monosignal erzeugt. Das folgende Tiefpassfilter, aufgebaut mit IC3 und IC4, fand schon öfters in Elektor Verwendung. Mit IC5 ist der Regelverstärker aufgebaut.
Die Dimensionierung der Bauteile R9, C9 und R11 bestimmen wesentlich das Übertragungsverhalten des gesamten Lautsprecher-Systems. Auf die richtige
Dimensionierung wird später im Kapitel Abgleich eingegangen. Den Additionspunkt im Blockschaltbild bildet IC6. Etwas merkwürdig können einem die
zwei Tiefpässe mit Rl6
/ C11 und R17 / C12 erscheinen. Sie dienen dazu, die Schwingneigung zu unterdrücken und sind unbedingt notwendig.
Wer es sich zutraut, kann auch den Impedanzwandler IC7 weglassen und die zwei Tiefpässe unter Berücksichtigung des Eingangswiderstandes des Endverstärkers neu berechnen.

Modifikationen am Lautsprecher

Bisher beschränkte sich der Nachbau des gegengekoppelten Lautsprechers auf einfache Lötarbeiten, welche dem Elektroniker bereits vertraut sind.
Aber auch die mechanischen Änderungen am Lautsprecher sind nicht schwierig auszuführen.
Wenn Sie über einen Wobbelgenerator, ein Millivoltmeter, einen Phasenmesser, einen X-Y-Schreiber und über Zeit verfügen und sich in der Gegenkopplungstheorie
auskennen, können Sie auch jeden anderen Bass -Lautsprecher für diese Gegenkopplung benutzen. Ansonsten verwenden Sie bitte den PSL 320I400 von Isophon.
Zum Zeitpunkt der Entwicklung dieser Gegenkopplung war dieser Lautsprecher sehr preisgünstig und lieferte den größten Schalldruck bei tiefen Frequenzen im
Vergleich zu den entsprechenden Audax-, Dynaudio-, Peerless und Scan-Speak-Chassis. Außerdem zeigte sich, dass er mechanisch extrem robust ist.
Einen einfachen Beschleunigungsaufnehmer findet man in jedem Piezo-HT. Mit einem scharfen Messer oder besser einem Skalpell wird die Membran am Rande ausgeschnitten.
Die Anschlussdrähte werden jetzt an der Lötöse (nicht am Kristall) abgelötet oder abgekniffen. Wenn Sie nun die ca. 40 mm große Membran auf die Größe des Piezo-Plättchens
zurechtschneiden, haben Sie den fertigen Beschleunigungsaufnehmer (Foto 1).
Bevor Sie sich an den Einbau in den Lautsprecher begeben, sollten Sie alle Arbeitsmaterialien vorher zurechtlegen, denn der Lautsprecher sollte nur so kurz wie möglich geöffnet sein.
Es besteht die Gefahr, dass sich im Luftspalt Schmutz ansammelt. Für die weitere Vorgehensweise gibt es zwei Möglichkeiten: Sie können den Piezo bzw. die HT-Membran auf
die Kalotte des PSL 320I400 oder dahinter kleben. Beide Möglichkeiten sind gleichwertig, wenn Sie eine Lautsprecherabdeckung benutzen. Die Befestigung hinter der Kalotte
ist allerdings optisch ansprechender und bietet mehr Schutz. Aus diesen Gründen soll sie hier erklärt werden. Die Kalotte ist mit Heißkleber fixiert und kann mit Wärme leicht
gelöst werden. Dazu setzen Sie den Lötkolben ans Messer (siehe Foto 2) und schieben das Messer zwischen Membran und Kalotte. Das heiße Messer kann leicht eindringen
und die Verbindung lösen. Unter leichtem Heben und Senken werden das Messer und der Lötkolben einmal rund geführt. Die Verbindung Membran -Kalotte ist damit bereits fast gelöst.
Mit einem leichten Ruck können Sie die Kalotte anschließend ganz lösen. Am besten legen Sie nun den Lautsprecher (Magnet nach oben) beiseite.
Der Luftspalt ist so vor Schmutz geschützt.
Bevor der Beschleunigungsaufnehmer montiert wird, muss noch die Kalotte stabilisiert werden. Dazu genügt eine Schicht
Epoxydharz mit Glasfasermatte. Im gleichen Arbeitsgang wird die Membran des Piezo -Hochtöners aufgeklebt (Foto 3).
Nach einer kurzen Trockenzeit können Sie zwei hochflexible Litzen an die kurzen Drähte des Piezo-Kristalls löten. Diese
Drähte müssen auch an die Kalotte geklebt werden, damit später bei den Bewegungen der Lautsprechermembran nichts klappert.
Zum Befestigen der Kalotte ist eigentlich jeder Haushaltskleber, wie Uhu, Pattex o.ä. geeignet. Die Verwendung eines
Heißklebers bietet allerdings den Vorteil, dass er in der oben beschriebenen Weise wieder gelöst werden kann. Bevor die
Kalotte eingesetzt wird, muss ein kleines Loch in die Membran gestochen werden, durch welches die Anschlussdrähte geführt
werden. Diese beiden Drähte werden ähnlich wie die Schwingspulendrähte an der Membraninnenseite befestigt und zur
Platine des Impedanzwandlers geführt. Eine ungünstige Befestigung der Drähte führt auch hier zum Klappern während der
Musikwiedergabe und kann noch korrigiert werden.
Auf Foto 4 können Sie ein modifiziertes Chassis einschließlich Impedanzwandler sehen.
Abgleich
Den erfolgreichen Einbau des Beschleunigungsaufnehmers können Sie testen, indem Sie an die Anschlussdrähte des Piezos ein Signal legen.
Der Piezo gibt jetzt irgendwelche Geräusche von sich. Der nächste Schritt besteht darin, die Teile gemäß Bild 1 anzuschließen und R11 und C9
kurzzuschließen (am besten mit einem Schalter). Die Regelung ist nicht in Betrieb, und die Schaltung kann eingeschaltet werden. Wenn Sie den
Schalter nun kurz öffnen, gibt es drei Möglichkeiten:
1. Es kommt kein Ton aus dem Lautsprecher:
2. Der Lautsprecher schwingt auf tiefen Frequenzen (< 100 Hz).
3. Der Lautsprecher schwingt auf hohen Frequenzen (> 1 kHz).
Im ersten Fall funktioniert der gegengekoppelte Lautsprecher ordnungsgemäß, und ein Abgleich erübrigt sich. Das ist der
Normalfall. Wenn Fall Zwei eintritt, ist der Piezo falsch angeschlossen. Hier hilft ein Vertauschen der beiden Anschlussdrähte am Eingang des Impedanzwandlers.
Es ist möglich, dass durch Lautsprechertoleranzen und verschiedene Klebungen des Piezo der Fall 3 eintritt. Durch ein
Verringern der Gegenkopplung lässt sich diese Schwingneigung beseitigen. Es empfiehlt sich, zuerst C12 zu vergrößern (bis
1,8 nF), dann C11 (bis 1 uF). Falls diese Veränderungen noch nicht zum erwünschten Erfolg führen, sollte R11 verkleinert
werden und
/ oder C9 vergrößert werden. R11 verschiebt die untere Grenzfrequenz fc nach oben und C9 verschlechtert etwas
die Güte Qtc.
Dieser gegengekoppelte Lautsprecher wurde allerdings schon mehrmals nachgebaut. Bisher sind keine Probleme mit den
Schwingungen bekannt geworden. Das Lautsprechersystem schwingt natürlich immer mit der vollen Leistung des
verwendeten Verstärkers, und erst bei Verstärkern mit einer Leistung von über 200 W empfiehlt es sich, mit kleinerer
Leistung zu testen.
Messergebnisse
Erst die Messergebnisse und ein Hörtest zeigen, ob sich der Aufwand gelohnt hat. Die Messungen 1-3 und Bild 4 zeigen die hervorragende Qualität des
gegengekoppelten Lautsprechers. Diese Ergebnisse sind nur mit kritischem Verstand mit den Messergebnissen der Lautsprecherhersteller zu vergleichen,
denn die Messpraxis hat gezeigt, daß die veröffentlichten Daten eher dem Wunschdenken als der Realität entsprechen.
Bis zu diesem Zeitpunkt war der gegengekoppelte Lautsprecher nichts anderes als Gestalt gewordene Theorie, wobei alle
Messungen noch nichts über die Qualität eines Systems aussagten. Erst ein Hörtest konnte weitere Aufschlüsse bringen.
Also wurde ein 25.000 DM teurer Referenz-Lautsprecher (Backes & Müller) beschafft, und es wurde zu einem Hörtest
eingeladen. Alle ,,Freaks" waren der Ansicht, dass dieser gegengekoppelte Lautsprecher im Tieftonbereich dem Referenzsystem in nichts nachstand.
Diese relativ einfache Modifikation an einem Basslautsprecher gibt die Möglichkeit, ein System zu schaffen, welches an das theoretisch Machbare nahe herankommt.
